产品名称:MSR100U (USB接口)

MS600S0 / MSR100是一款串行接口磁卡阅读器,采用了性能良好的专用解码IC,具有体积小、功耗低、抗干扰能力强、解码成功率高、对弱磁卡解码能力强等点。读卡器遵循ISO-7811/7813标准,支持双向刷卡可,方便嵌入POS机、POS键盘、平板电脑等设备中。商超打印机
性能特点:
a) 专用解码IC,具有功耗低、抗干扰能力强、解码成功率高、对弱磁卡解码能力强等特点。读卡器遵循ISO-7811/7813标准;
b) zhic
b) 支持双向刷卡,刷卡速度为10cm/sec ~ 150cm/sec;
c) 采用高寿命磁头,刷卡寿命在80万次以上;条码打印机
d) USB / 串口TTL / RS232接口/虚拟串口;
e) 支持OPOS/JPOS
运用领域:
a) 专用解码IC,具有功耗低、抗干扰能力强、解码成功率高、对弱磁卡解码能力强等特点。
b) 读卡器支持ISO / AAMVA / JIS-II标准;
c) 支持双向刷卡,刷卡速度为10cm/sec ~150cm/sec;
d) LED指示读卡状态,用户可以选择是否带声音提示(订货前说明);
e) 采用高寿命磁头,刷卡寿命在80万次以上;
f) 接口USB、串口、RS232可选;
g) 支持OPOS/JPOS,提供OPOS开发包;
h) 提供windows、linux SDK
接口说明:
MSR100U:USB接口
MSR100S:串口TTL/RS232接口
MSR100V:虚拟串口
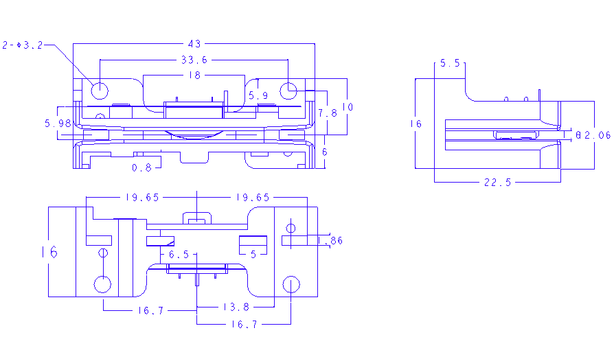
安装尺寸图:

技术参数:
参数项目 | 参数指标 |
接口方式 | RS232/TTL/USB/虚拟串口,可以定制 |
静态电流 | 10mA(DC5V ) |
磁卡标准 | ISO-7811/7813 |
解码方式 | F2F(FM) |
刷卡速度 | 10cm/sec ~ 150cm/sec |
磁头寿命 | 80万次以上 |
外形尺寸 | 43 * 16 * 22.5 mm |
读卡器参数及数据格式说明:
a) 默认参数:
轨道 | 起始符 | 结束符 | 轨道回车 | 数据包末尾回车 |
一轨道 | % | ? | 无 | 有 |
二轨道 | ; | ? | 无 | |
三轨道 | + | ? | 无 |
串口波特率值:9600,8位数据位,1位停止位,无校验位
% | 一轨道数据 | ? | ; | 二轨道数据 | ? | + | 三轨道数据 | ? | 回车换行 |
说明:刷卡成功数据主动发送,不需要指令,如果某轨道无数据或者读取错误则该轨道的起始符、数据、结束符均不发送。
数据接口:
